記事へ戻る

[画像 No.10/14]空飛ぶGSX-R1000(のエンジン)!『超無人機』……だと……? アラセ・アイザワ・アエロスパシアルが実機初公開

2022/10/27
|空飛ぶGSX-R1000(のエンジン)!『超無人機』……だと……? アラセ・アイザワ・アエロスパシアルが実機初公開
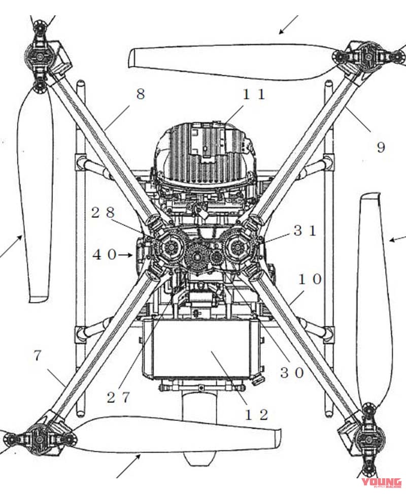
トランスミッションの特許図を頂戴した。個々のプロペラにモーターを仕込む電動ドローンと違って、クランクの回転をベベルギヤによって4つのプロペラに伝えている。個々の揚力はペラの角度で調整する。
アイザワグループの無人航空機開発会社、アラセ・アイザワ・アエロスパシアル合同会社(AAA、本社静岡県浜松市、共同代表:會澤 祥弘、荒瀬 国男)は、条件次第で6時間以上もの航行を可能とする998ccエンジン搭載の超無人機「AZ-1000」を開発。10月26日から『第5回名古屋ロボデックス』にて実機を初公開するぞ! 目次 1 開発したのはスズキ育ちのエンジニア2 無人機を超えた異次元の無人機、それが「 […]